Ball Valve DN100 PN40

Straight type – with direct mounting pad

SKU: 20-00001051 Categories: , Tag:

Details

Two piece, full bore, Stainless Steel body ball valve with Stainless Steel ball and PTFE seat. Raised face flanges. With direct mounting pad.

Download Datasheet

Price View

Price Range

Product Group

445194

End Standard

DIN 2635

Face To Face Standard

EN 558, series 14

Inspection Standard

EN 12266

Remark

Connection: PN40

Top Flange Standard

ISO 5211 – F07/F10

Throughput Direction

Straight

Execution

Full Bore

Pressure Rating

PN40

End Type

Flanged

Design Code

ASME B16.34

Standard

DIN

Application

Air, Boiler feedwater, Cargo oil, Condensate, Corrosive fluids, Flammable hydraulic oil, Fuel oil, Gas, Lubricating oil, Non-flammable hydraulic fluid, Sea Water, Water

Size

100

Material Seat

PTFE

Material Body

Stainless Steel, 316

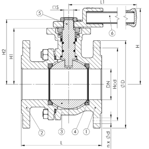
PARTSLIST AND DETAILS

Partslist

No Part Material Code
1 Body Stainless Steel ASTM A351-CF8M
2 Cap Stainless Steel ASTM A351-CF8M
3 Ball Stainless Steel ASTM A351-CF8M
4 Seat PTFE
5 Stem Stainless Steel AISI 316
6 Handle Stainless Steel, Plastic Cover AISI 430

Details

DN Pressure Rating Id nxdd Hcd
100 40 8×22 190
ØD L Kg L1 H H1 H2 S
235 190 30 337.5 182 145 163.5 17

         

Scroll to Top