| Price View | Price Range |
|---|---|
| Product Group | 445102 |
| End Standard | EN 1092-2 |
| Face To Face Standard | EN 558, series 14 |
| Inspection Standard | EN 12266 |
| Remark | Connection: PN16 |
| Min temperature | -10°C |
| Top Flange Standard | ISO 5211 – F04 |
| Max temperature | +100°C |
| Throughput Direction | Straight |
| Execution | Full Bore |
| Pressure Rating | PN16 |
| End Type | Flanged |
| Design Code | EN 1983 |
| Standard | DIN |
| Application | Air, Boiler feedwater, Cargo oil, Condensate, Flammable hydraulic oil, Fuel oil, Gas, Lubricating oil, Non-flammable hydraulic fluid, Sea Water, Water |
| Size | 25 |
| Material Seat | CPTFE |
| Material Body | Nodular Cast Iron, GGG40 |
Ball Valve DN25 PN16
Straight type – with direct mounting pad
Details
Two piece, full bore, Nodular Cast Iron body ball valve with Hard Chromed Brass ball and CPTFE seat. Raised face flanges. With direct mounting pad.
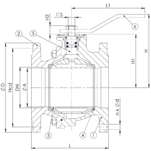
PARTSLIST AND DETAILS
Partslist
| No | Part | Material | Code |
|---|---|---|---|
| 1 | Body | Nodular Cast Iron | GGG40 |
| 2 | Cap | Nodular Cast Iron | GGG40 |
| 3 | Ball | Brass, Chrome-Plated | CW 617N |
| 4 | Seat | CPTFE | |
| 5 | Stem | Brass, Chrome-Plated | CW 617N |
| 6 | Handle | Carbon Steel, Epoxy Coated |
Details
| DN | Pressure Rating Id | nxdd | Hcd | Ø D | L |
|---|---|---|---|---|---|
| 25 | 16 | 4×14 | 85 | 115 | 125 |
| Kg | L1 | H | H1 | Ø A | H2 | S |
|---|---|---|---|---|---|---|
| 4.2 | 170 | 96 | 59 | 25 | 11 | 11 |



