| Price View | Price Range |
|---|---|
| Product Group | 446152 |
| End Standard | EN 1092-2 |
| Inspection Standard | EN 12266 |
| Min temperature | -10°C |
| Top Flange Standard | ISO 5211 – F04 non-direct |
| Max temperature | +100°C |
| Throughput Direction | Straight |
| Execution | Full Bore |
| Pressure Rating | PN16 |
| End Type | Flanged |
| Design Code | EN 1983 |
| Standard | DIN |
| Application | Air, Boiler feedwater, Cargo oil, Condensate, Flammable hydraulic oil, Fuel oil, Gas, Lubricating oil, Non-flammable hydraulic fluid, Sea Water, Water |
| Size | 25 |
| Material Seat | CPTFE |
| Material Body | Cast Iron |
Ball Valve DN25 PN16
Straight type – short length
Details
Two piece, full bore, short length, Cast Iron body ball valve with Hard Chromed Brass ball and CPTFE seat. Raised face flanges. With non-direct mounting pad.
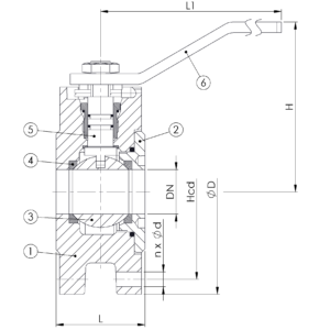
PARTSLIST AND DETAILS
Partslist
| No | Part | Material | Code |
|---|---|---|---|
| 1 | Body | Cast Iron | GG25 |
| 2 | Cap | Cast Iron | GG25 |
| 3 | Ball | Brass, Chrome-Plated | CW 617N |
| 4 | Seat | CPTFE | |
| 5 | Stem | Brass | CW 617N |
| 6 | Handle | Stainless Steel, Plastic Cover |
Details
| DN | Pressure Rating Id | nxdd | Hcd |
|---|---|---|---|
| 25 | 16 | 4xM12 | 85 |
| ØD | L | Kg | L1 | H |
|---|---|---|---|---|
| 115 | 50 | 2.5 | 170 | 96 |



