Ball Valve DN25 PN40

Straight type – short length

SKU: 20-00000759 Categories: , Tag:

Details

Two piece, full bore, short length, Stainless Steel body ball valve with Hard Chromed Brass ball and RTFE seat. Raised face flanges. With non-direct mounting pad.

Download Datasheet

Price View

Price Range

Product Group

446292

End Standard

EN 1092-1

Inspection Standard

API 598

Remark

Connection: PN40

Min temperature

-20°C

Top Flange Standard

ISO 5211 – F03 non-direct

Max temperature

+200°C

Throughput Direction

Straight

Execution

Full Bore

Pressure Rating

PN40

End Type

Flanged

Design Code

ASME B16.34

Standard

DIN

Application

Air, Boiler feedwater, Cargo oil, Condensate, Corrosive fluids, Flammable hydraulic oil, Fuel oil, Gas, Lubricating oil, Non-flammable hydraulic fluid, Sea Water, Water

Size

25

Material Seat

RTFE

Material Body

Stainless Steel, 316

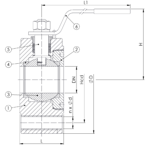
PARTSLIST AND DETAILS

Partslist

No Part Material Code
1 Body Stainless Steel ASTM A351-CF8M
2 Cap Stainless Steel ASTM A351-CF8M
3 Ball Stainless Steel ASTM A351-CF8M
4 Seat RTFE
5 Stem Stainless Steel ASTM A276-316
6 Handle Stainless Steel, Plastic Cover AISI 304

Details

DN Pressure Rating Id nxdd Hcd
25 40 4xM12 85
D L Kg L1 H
108 43 1.9 150 80

         

Scroll to Top