| Price View | Price Range |
|---|---|
| Product Group | 446152 |
| End Standard | EN 1092-2 |
| Inspection Standard | EN 12266 |
| Remark | Connection: PN16 |
| Min temperature | -10°C |
| Top Flange Standard | ISO 5211 – F05 |
| Max temperature | +100°C |
| Throughput Direction | Straight |
| Execution | Full Bore |
| Pressure Rating | PN16 |
| End Type | Flanged |
| Design Code | EN 1983 |
| Standard | DIN |
| Application | Air, Boiler feedwater, Cargo oil, Condensate, Corrosive fluids, Flammable hydraulic oil, Fuel oil, Gas, Lubricating oil, Non-flammable hydraulic fluid, Sea Water, Water |
| Size | 40 |
| Material Seat | CPTFE |
| Material Body | Cast Iron |
Ball Valve DN40 PN16
Straight type – short length – with direct mounting pad
Details
Two piece, full bore, short length, Cast Iron body ball valve with Hard Chromed Brass ball and CPTFE seat. Raised face flanges. With direct mounting pad.
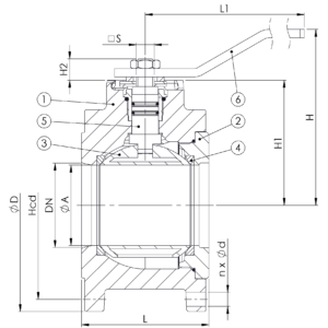
PARTSLIST AND DETAILS
Partslist
| No | Part | Material | Code |
|---|---|---|---|
| 1 | Body | Cast Iron | GG25 |
| 2 | Cap | Cast Iron | GG25 |
| 3 | Ball | Brass, Chrome-Plated | CW 617N |
| 4 | Seat | CPTFE | |
| 5 | Stem | Brass | CW 617N |
| 6 | Handle | Carbon Steel, Epoxy Coated |
Details
| DN | Pressure Rating Id | nxdd | Hcd | ØD | L |
|---|---|---|---|---|---|
| 40 | 16 | 4xM16 | 110 | 150 | 65 |
| Kg | L1 | H | H1 | ØA | H2 | S |
|---|---|---|---|---|---|---|
| 5.1 | 230 | 125 | 78.5 | 40 | 13.5 | 14 |



