Ball Valve DN50 1000WOG

Straight type

SKU: 20-00000074 Categories: , Tag:

Details

Three piece, full bore, Stainless Steel body ball valve with Stainless Steel ball and PTFE seat. Raised face flanges. With non-direct mounting pad.

Download Datasheet

Price View

Price Range

Product Group

440195

End Standard

EN 1092-1

Face To Face Standard

EN 558, series 1

Inspection Standard

API 598

Remark

Connection: PN40

Min temperature

-20°C

Top Flange Standard

ISO 5211 – F07 non-direct

Max temperature

+200°C

Throughput Direction

Straight

Execution

Full Bore

Pressure Rating

1000WOG

End Type

Flanged

Design Code

ASME B16.34

Standard

DIN

Application

Air, Boiler feedwater, Cargo oil, Condensate, Corrosive fluids, Flammable hydraulic oil, Fuel oil, Gas, Lubricating oil, Non-flammable hydraulic fluid, Sea Water, Water

Size

50

Material Seat

PTFE

Material Body

Stainless Steel, 316

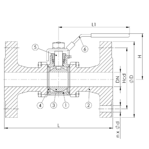
PARTSLIST AND DETAILS

Partslist

No Part Material Code
1 Body Stainless Steel ASTM A351-CF8M
2 Cap Stainless Steel ASTM A351-CF8M
3 Ball Stainless Steel ASTM A351-CF8M
4 Seat PTFE
5 Stem Stainless Steel ASTM A276-316
6 Handle Stainless Steel, Plastic Cover

Details

DN Pressure Rating Id nxdd Hcd
50 1000 4×18 125
ØD L Kg L1 H
165 230 10.3 214 115

         

Scroll to Top