Ball Valve DN50 PN40

Straight Type, Flanged Connection

SKU: 41301 Categories: , Tag:

Details

Ball valve is mainly used as shut off in liquid systems where it is a need for high flow. Quarterturn operation. Full bore. Two piece heavy duty valve. Anti-static stem. Top flange according to ISO 5211.

Price View

Price Range

Product Group

445194

End Standard

EN 1092-1

Face To Face Standard

EN 558, series 27

Execution

Straight

Pressure Rating

PN40

End Type

Flanged

Working Pressure

Max. 12 bar (150°C), Max. 24 bar (100°C), Max. 3 bar (180°C), Max. 40 bar (38°C)

Standard

DIN

Application

Air, Boiler feedwater, Cargo oil, Condensate, Flammable hydraulic oil, Fuel oil, Gas, Lubricating oil, Non-flammable hydraulic fluid, Sea Water, Water

Size

50

Material Seat

PTFE

Material Body

Cast Iron

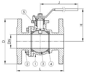
PARTSLIST AND DETAILS

Partslist

No Part Material Code
1 Body Stainless Steel 1.4408 (AISI316)
2 Cap Stainless Steel 1.4408 (AISI316)
3 Ball (relief hole) Stainless Steel 1.4408 (AISI316)
4 Seat PTFE
5 Stem Stainless Steel 1.4401 (AISI316)

Details

DN Pressure Rating L D H J Kg
50 PN 40 150 165 136 278 11.0

Scroll to Top