Ball Valve DN80 PN16

Straight type – with direct mounting pad

SKU: 20-00000301 Categories: , Tag:

Details

Two piece, full bore, RG5 body ball valve with Hard Chromed Brass ball and CPTFE seat. Raised face flanges. With direct mounting pad.

Download Datasheet

Price View

Price Range

Product Group

445122

End Standard

EN 1092-3

Face To Face Standard

EN 558, series 14

Inspection Standard

EN 12266

Remark

Connection: PN16

Min temperature

-10°C

Top Flange Standard

ISO 5211 – F07

Max temperature

+150°C

Throughput Direction

Straight

Execution

Full Bore

Pressure Rating

PN16

End Type

Flanged

Design Code

EN 1983

Standard

DIN

Application

Air, Boiler feedwater, Cargo oil, Condensate, Flammable hydraulic oil, Fuel oil, Gas, Lubricating oil, Non-flammable hydraulic fluid, Sea Water, Water

Size

80

Material Seat

CPTFE

Material Body

Bronze

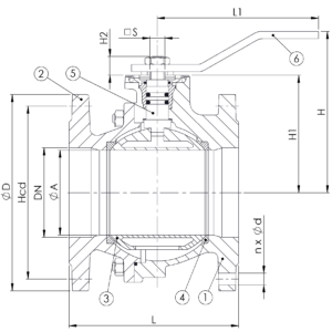
PARTSLIST AND DETAILS

Partslist

No Part Material Code
1 Body Bronze CC 491K
2 Cap Bronze CC 491K
3 Ball Brass, Chrome-Plated CW 617N
4 Seat CPTFE
5 Stem Brass, Chrome-Plated CW 617N
6 Handle Carbon Steel, Epoxy Coated

Details

DN nxdd Hcd ØD L Kg
80 8×18 160 200 180 19.1
L1 H H1 ØA H2 S
280 165 118 76 15 17

         

Scroll to Top