Butterfly Valve DF DN40 JIS 10K

Double flange type – bare stem

SKU: M35376 Categories: , Tag:

Details

Nodular Cast Iron body, vulcanized liner double flange type butterfly valve with Stainless Steel disc. Centric free stem with standardized pattern for actuator mounting. Can handle negative pressure (vacuum), due to the meticulous vulcanization process.

Download Datasheet

Price View

Price Range

Product Group

731902

End Standard

JIS B2239

Face To Face Standard

EN 558, series 13

Inspection Standard

EN 12266

Remark

Connection: JIS 10K

Min temperature

-20°C

Top Flange Standard

ISO 5211 – F07

Max temperature

+100°C

Variant

Bare Stem

Pressure Rating

JIS 10K

End Type

Double flange

Design Code

EN 593

Standard

JIS

Application

Boiler feedwater, Condensate, Sea Water, Water

Size

40

Material Seat

EPDM

Material Disc

Stainless Steel, 316

Material Body

Nodular Cast Iron, GGG40

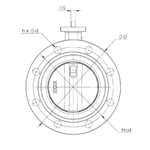
PARTSLIST AND DETAILS

Partslist

No Part Material Code
1 Body Nodular Cast Iron GGG40
2 Disc Stainless Steel 1.4408
3 Seat EPDM max working temp. 100°C
4 Stem Stainless Steel 1.4401
5 Pin Duplex Stainless Steel 1.4462

Details

DN Pressure Rating Id nxdd Hcd ØD
40 10 4×19 105 150
L Kg ØD2 H2 S H3
106 5.5 90 113 11 19

                   

Scroll to Top