| Price View | Price Range |
|---|---|
| Product Group | 730901 |
| End Standard | JIS B2239 |
| Face To Face Standard | EN 558, series 13 |
| Inspection Standard | EN 12266 |
| Remark | Connection: JIS 5K |
| Min temperature | -15°C |
| Top Flange Standard | ISO 5211 – F07 |
| Max temperature | +80°C |
| Variant | Bare Stem |
| Pressure Rating | JIS 5K |
| End Type | Double flange |
| Design Code | EN 593 |
| Standard | JIS |
| Application | Air, Boiler feedwater, Cargo oil, Condensate, Flammable hydraulic oil, Fuel oil, Gas, Lubricating oil, Non-flammable hydraulic fluid, Sea Water, Water |
| Size | 50 |
| Material Seat | NBR |
| Material Disc | Stainless Steel, 316 |
| Material Body | Nodular Cast Iron, GGG40 |
Butterfly Valve DF DN50 JIS 5K
Double flange type – bare stem
Details
Nodular Cast Iron body, vulcanized liner double flange type butterfly valve with Stainless Steel disc. Centric free stem with standardized pattern for actuator mounting. Can handle negative pressure (vacuum), due to the meticulous vulcanization process.
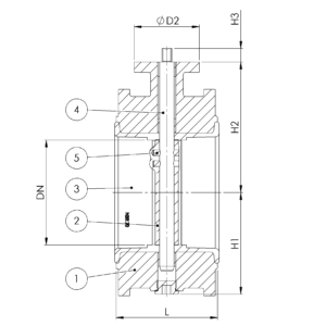
PARTSLIST AND DETAILS
Partslist
| No | Part | Material | Code |
|---|---|---|---|
| 1 | Body | Nodular Cast Iron | GGG40 |
| 2 | Disc | Stainless Steel | 1.4408 |
| 3 | Seat | NBR max working temp. 80°C | |
| 4 | Stem | Stainless Steel | 1.4401 |
| 5 | Pin | Duplex Stainless Steel | 1.4462 |
Details
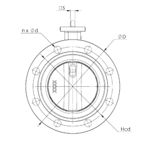
| DN | Pressure Rating Id | nxdd | Hcd | ØD |
|---|---|---|---|---|
| 50 | 5 | 4×15 | 105 | 165 |
| L | Kg | H1 | ØD2 | H2 | S | H3 |
|---|---|---|---|---|---|---|
| 108 | 6.7 | 71 | 90 | 118 | 11 | 19 |




