| Price View | Price Range |
|---|---|
| Product Group | 400822 |
| End Standard | EN 1092-3 |
| Inspection Standard | EN 12266 |
| Remark | Connection: PN16 |
| Min temperature | 0°C |
| Max temperature | +95°C |
| Throughput Direction | Straight |
| Pressure Rating | PN16 |
| End Type | Flanged |
| Standard | DIN |
| Application | Air, Boiler feedwater, Cargo oil, Condensate, Flammable hydraulic oil, Fuel oil, Gas, Lubricating oil, Non-flammable hydraulic fluid, Sea Water, Steam, Thermal oil, Water |
| Size | 32 |
| Material Disc | Bronze |
| Material Body | Bronze |
Gate Valve DN32 PN16
Details
RG5 body gate valve, RG5 wedge. Non rising stem, screwed bonnet. Flat face flanges.
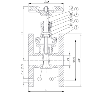
PARTSLIST AND DETAILS
Partslist
| No | Part | Material | Code |
|---|---|---|---|
| 1 | Body | Bronze | CC 491K |
| 2 | Bonnet | Brass | CW 614N |
| 3 | Wedge | Bronze | CC 491K |
| 4 | Stem | Brass | CW 614N |
| 5 | Bonnet Gasket | Heat Resistant Fiber | |
| 6 | Packing | Heat Resistant Fiber | AF/15MA |
| 7 | Gland | Brass | CW 614N |
| 8 | Gland Nut | Brass | CW 614N |
| 9 | Stem Nut | Brass | CW 614N |
| 10 | Handwheel | Steel |
Details
| DN | Pressure Rating Id | nxdd | Hcd |
|---|---|---|---|
| 32 | 16 | 4×18 | 100 |
| ØD | L | Kg | H | ØM |
|---|---|---|---|---|
| 140 | 100 | 3.4 | 122 | 70 |



