| Price View | Price Range |
|---|---|
| Product Group | 357682 |
| End Standard | ISO 228-1 |
| Max temperature | +80°C |
| Throughput Direction | Angled |
| Pressure Rating | PN16 |
| End Type | Threaded |
| Standard | DIN |
| Application | Boiler feedwater, Cargo oil, Condensate, Flammable hydraulic oil, Fuel oil, Lubricating oil, Non-flammable hydraulic fluid, Sea Water, Water |
| Size | 25 |
| Material Seat | NBR |
| Material Body | Stainless Steel, 304 |
Push Button Drain Valve 1″ PN16
Details
Stainless Steel body, soft sealing self closing drain valve with push button operation. BSPP male threaded inlet, drain pipe outlet.
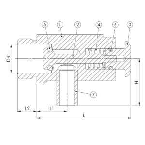
PARTSLIST AND DETAILS
Partslist
| No | Part | Material | Code |
|---|---|---|---|
| 1 | Body | Stainless Steel | 1.4301 |
| 2 | Stem | Stainless Steel | 1.4301 |
| 3 | Knob | Stainless Steel | 1.4301 |
| 4 | Spring | Stainless Steel | 1.4310 |
| 5 | O-Ring | NBR | |
| 6 | O-Ring | NBR | |
| 7 | Drain Pipe | Stainless Steel | 1.4436 |
Details
| DN | Pressure Rating Id | L | Kg | L1 | Inch | H | L2 |
|---|---|---|---|---|---|---|---|
| 25 | 16 | 78 | 0.7 | 25 | 1″ | 39 | 16 |



