Storm Valve DN100 JIS 10K

Angled type

SKU: 280-00000072 Categories: , Tag:

Details

Angled type closable check valve. Cast Steel body. Soft sealing disc. Flat face flanges.

Download Datasheet

Price View

Price Range

Product Group

F-3061

End Standard

JIS B2220

Inspection Standard

JIS F7400

Remark

Connection: JIS 10K

Throughput Direction

Angled

Pressure Rating

JIS 10K

End Type

Flanged

Design Code

JIS F3060R

Standard

JIS

Application

Sea Water, Water

Size

100

Material Seat

EPDM

Material Disc

Brass

Material Body

Cast Steel

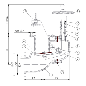
PARTSLIST AND DETAILS

Partslist

No Part Material Code
1 Body Cast Steel ZG230-450
2 Bonnet Cast Steel ZG230-450
3 Gland Brass H62
4 Stem Stainless Steel 2Cr13
5 Disc Brass H62
6 Disc Sealing EPDM
7 Disc Arm Brass H62
8 Counterweight Lead Pb
9 Stem Box Brass H62
10 Gland Nut Brass H62
11 Pin Stainless Steel 2Cr13
12 Bonnet Gasket Graphite
13 Handwheel Cast Iron FC200

Details

DN Pressure Rating Id nxdd Hcd
100 10 8×19 175
ØD Hmax Kg L1 L2 L3
210 175 29.8 250 130 175

         

Scroll to Top