| Price View | Price Range |
|---|---|
| Product Group | F-3061 |
| End Standard | JIS B2220 |
| Inspection Standard | JIS F7400 |
| Remark | Connection: JIS 10K |
| Throughput Direction | Angled |
| Pressure Rating | JIS 10K |
| End Type | Flanged |
| Design Code | JIS F3060R |
| Standard | JIS |
| Application | Sea Water, Water |
| Size | 50 |
| Material Seat | EPDM |
| Material Disc | Brass |
| Material Body | Cast Steel |
Storm Valve DN50 JIS 10K
Angled type
Details
Angled type closable check valve. Cast Steel body. Soft sealing disc. Flat face flanges.
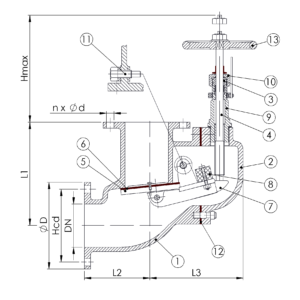
PARTSLIST AND DETAILS
Partslist
| No | Part | Material | Code |
|---|---|---|---|
| 1 | Body | Cast Steel | ZG230-450 |
| 2 | Bonnet | Cast Steel | ZG230-450 |
| 3 | Gland | Brass | H62 |
| 4 | Stem | Stainless Steel | 2Cr13 |
| 5 | Disc | Brass | H62 |
| 6 | Disc Sealing | EPDM | |
| 7 | Disc Arm | Brass | H62 |
| 8 | Counterweight | Lead | Pb |
| 9 | Stem Box | Brass | H62 |
| 10 | Gland Nut | Brass | H62 |
| 11 | Pin | Stainless Steel | 2Cr13 |
| 12 | Bonnet Gasket | Graphite | |
| 13 | Handwheel | Cast Iron | FC200 |
Details
| DN | Pressure Rating Id | nxdd | Hcd |
|---|---|---|---|
| 50 | 10 | 4×19 | 120 |
| ØD | Hmax | Kg | L1 | L2 | L3 |
|---|---|---|---|---|---|
| 155 | 187 | 12.9 | 170 | 90 | 135 |



