Storm Valve DN80 PN4/PN10

Straight type

SKU: 280-00000090 Categories: , Tag:

Details

Straight type closable check valve. Cast Steel body. Soft sealing disc. Flat face flanges.

Download Datasheet

Price View

Price Range

Product Group

159761

End Standard

EN 1092-1

Face To Face Standard

EN 558, series 48

Remark

Connection: PN10

Min temperature

-10°C

Max temperature

+60°C

Throughput Direction

Straight

Pressure Rating

PN4

End Type

Flanged

Design Code

DIN 87101 Form B

Standard

DIN

Application

Sea Water, Water

Size

80

Material Seat

NBR

Material Disc

Bronze

Material Body

Cast Steel

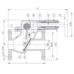
PARTSLIST AND DETAILS

Partslist

No Part Material Code
1 Body Cast Steel GS-C25
2 Bonnet Cast Steel GS-C25
3 Disc Bronze CC 491K
4 Disc Sealing NBR
5 Bonnet Gasket NBR
6 Stem Brass CW 614N
7 Stem Nut Brass CW 614N
8 Plug Brass CW 614N
9 Handwheel Cast Iron GG25

Details

DN Pressure Rating Id nxdd Hcd
80 4 8×18 160
ØD L Kg L1 H ØM
200 260 22 390 175 100

         

Scroll to Top