| Price View | Price Range |
|---|---|
| Product Group | 370262 |
| End Standard | EN 1092-1 |
| Face To Face Standard | EN 558, series 48 |
| Inspection Standard | EN 12266 |
| Remark | Connection: PN16 |
| Throughput Direction | Straight |
| Execution | Full Bore |
| Pressure Rating | PN16 |
| End Type | Flanged |
| Design Code | BS 1868 |
| Standard | DIN |
| Application | Boiler feedwater, Cargo oil, Condensate, Flammable hydraulic oil, Fuel oil, Lubricating oil, Non-flammable hydraulic fluid, Sea Water, Water |
| Size | 125 |
| Material Seat | Stainless Steel, 420 |
| Material Disc | Cast Steel |
| Material Body | Cast Steel |
Swing Check Valve DN125 PN16
Details
Cast Steel body, full bore swing check valve with Cast Steel disc and Stainless Steel seat. Raised face flanges.
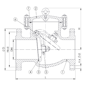
PARTSLIST AND DETAILS
Partslist
| No | Part | Material | Code |
|---|---|---|---|
| 1 | Body | Cast Steel | ASTM A216-WCB |
| 2 | Bonnet | Cast Steel | ASTM A216-WCB |
| 3 | Disc | Cast Steel | ASTM A216-WCB |
| 4 | Seat | Stainless Steel | Deposited 13Cr |
| 5 | Hinge | Cast Steel | ASTM A216-WCB |
| 6 | Hinge pin | Stainless Steel | ASTM A276-420 |
| 7 | Gasket | Graphite |
Details
| DN | Pressure Rating Id | nxdd | Hcd | ØD | L | Kg | H |
|---|---|---|---|---|---|---|---|
| 125 | 16 | 8×18 | 210 | 250 | 350 | 92 | 210 |



