Swing check valve DN250 PN10

SKU: M95211 Categories: , Tag:

Details

Nodular Cast Iron body, full bore swing check valve with NBR soft sealing. Raised face flanges.

Download Datasheet

Price View

Price Range

Product Group

370202

End Standard

EN 1092-2

Face To Face Standard

EN 558, series 48

Remark

Connection: PN10

Min temperature

-10°C

Max temperature

+120°C

Throughput Direction

Straight

Execution

Full Bore

Pressure Rating

PN10

End Type

Flanged

Design Code

DIN 3232

Standard

DIN

Application

Boiler feedwater, Cargo oil, Condensate, Flammable hydraulic oil, Fuel oil, Lubricating oil, Non-flammable hydraulic fluid, Sea Water, Steam, Water

Size

250

Material Seat

NBR

Material Disc

Bronze

Material Body

Nodular Cast Iron, GGG40.3

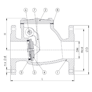
PARTSLIST AND DETAILS

Partslist

No Part Material Code
1 Body Nodular Cast Iron GGG40.3
2 Bonnet Nodular Cast Iron GGG40.3
3 Body seat Bronze CC 491K
4 Disc Nodular Cast Iron GGG40.3
5 Disc sealing NBR
6 Stem Brass CW 614N
7 Hinge arm Nodular Cast Iron GGG40.3
8 Bonnet gasket Asbestos Free

Details

DN Pressure Rating Id nxdd Hcd ØD L Kg H
250 10 12×22 350 395 600 165 320

         

Scroll to Top